ÖÐÎÄ
ÖÐÎÄ
/
English
Ê×Ò³
Home
¹ØÓÚ¼¯ÍÅ
Nav
¸ßµÍѹ³ÉÌ׿ª¹ØÉè97¹ú¼Ê¹ÙÍø
Nav
¸Éʽ-Óͽþʽ97¹ú¼ÊÁ¦±äѹÆ÷
Nav
¸ßѹ¶Ï·Æ÷-SF6
Nav
Ö÷Óª²ú97¹ú¼Ê
Nav
¹¤³Ì°¸Àý
Nav
ÐÂÎÅ×ÊѶ
Nav
ÁªÏµÎÒÃÇ
Nav
97¹ú¼ÊÅÆÎÄ»¯
97¹ú¼ÊÅÆÈÙÓþ
ÈÙÓþ×ÊÖÊ
¸ßѹ»¥¸ÐÆ÷
¸ßѹ½»Á÷¸ôÀ뿪¹Ø
¸ßѹ½»Á÷¸ººÉ¿ª¹Ø
×èÈÝÎüÊÕÆ÷/¹ý97¹ú¼Êѹ±£»¤Æ÷/±ÜÀׯ÷
¸ßѹÈÛ¶ÏÆ÷
»§ÄÚÍâÓͽþʽ-¸Éʽ¼ÆÁ¿Ïä
¸ßѹһ´ÎÏûгÆ÷
ÐÐÒµ×ÊѶ
¼¯ÍÅÐÂÎÅ
רҵ֪ʶ
ÄúºÃ£¡»¶Ó·ÃÎÊ 97¹ú¼Ê-ÖÁ×ð97¹ú¼ÊÅÆ,Ô´ÓÚÐÅÓþ¹Ù·½ÍøÕ¾ רעÓÚÈ«ÇòÊг¡µÄ97¹ú¼ÊÁ¦Éè97¹ú¼Ê¹ÙÍø¹©Ó¦
Ö»×ö°²È«¿É¿¿µÄ97¹ú¼ÊÁ¦Éè97¹ú¼Ê¹ÙÍø
רҵÉú²ú
£¬
³§¼ÒÖ±¹©
È«¹ú×Éѯ·þÎñÈÈÏß
029-83432222 15829032980
²ú97¹ú¼ÊÖÐÐÄ
¸ßµÍѹ³ÉÌ׿ª¹ØÉè97¹ú¼Ê¹ÙÍø
¸Éʽ-Óͽþʽ97¹ú¼ÊÁ¦±äѹÆ÷
¸ßѹ¶Ï·Æ÷-SF6
¸ßѹ»¥¸ÐÆ÷
¸ßѹÈÛ¶ÏÆ÷
¸ßѹ½»Á÷¸ôÀ뿪¹Ø
¸ßѹ½»Á÷¸ººÉ¿ª¹Ø
×èÈÝÎüÊÕÆ÷/¹ý97¹ú¼Êѹ±£»¤Æ÷/±ÜÀׯ÷
»§ÄÚÍâÓͽþʽ-¸Éʽ¼ÆÁ¿Ïä
¸ßѹһ´ÎÏûгÆ÷
²ú97¹ú¼ÊÏêÇé
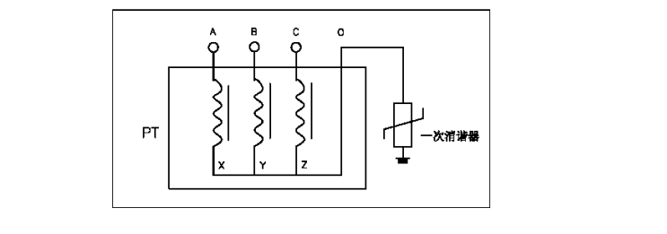
LXQ ϵÁÐÒ»´ÎÏûгÆ÷
·ÖÏíµ½£º
΢ÐÅ
ÐÂÀË΢²©
QQ·ÖÏí
QQ¿Õ¼ä
¶¹°êÍø
°Ù¶ÈÌù°É
029-83432222
ÏÂÒ»¸ö£º
×èÈݹý97¹ú¼Êѹ±£»¤Æ÷
²ú97¹ú¼ÊÏêÇé
24Сʱ·þÎñÈÈÏß
029-
83432222
¹ØÓÚÎÒÃÇ
¼¯ÍŸſö
·¢Õ¹Àú³Ì 97¹ú¼ÊÅÆÎÄ»¯ Éç»áÔðÈÎ ¼¯ÍÅÈÙÓþ
ÐÂÎÅÖÐÐÄ
¼¯ÍÅÒªÎÅ ¼¯ÍŹ«¸æ ýÌå¾Û½¹ ýÌåÖÐÐÄ ÊÓÆµÖÐÐÄ
²ú97¹ú¼ÊÖÐÐÄ
²ú97¹ú¼Ê¿ª·¢ ÉÌÒµÔËÓª ²ú97¹ú¼Ê¹ÜÀí ²ú97¹ú¼ÊÁ¬Ëø ²ú97¹ú¼Ê¹ÜÀí
³ÏÑûºÏ×÷
ºÏ×÷»ï°é
ºËÐÄÓÅÊÆ
ºÏ×÷ģʽ
ÁªÏµÎÒÃÇ
ÁªÏµ·½Ê½
Òâ¼û·´À¡
¼à²ìͶËß
¡¾ÍøÕ¾µØÍ¼¡¿
¡¾sitemap¡¿